Nhông xích
GỐI ĐỠ TRỤC FGJ
nhông xích - khớp nối - gối đỡ (WEB)
Motor giảm tốc tải nặng Wanshsin
#
Động cơ điện BGM
Biến tần
motor điện
Nhông xích
GỐI ĐỠ TRỤC FGJ
nhông xích - khớp nối - gối đỡ (WEB)
Motor giảm tốc tải nặng Wanshsin
#
Động cơ điện BGM
Biến tần
motor điện

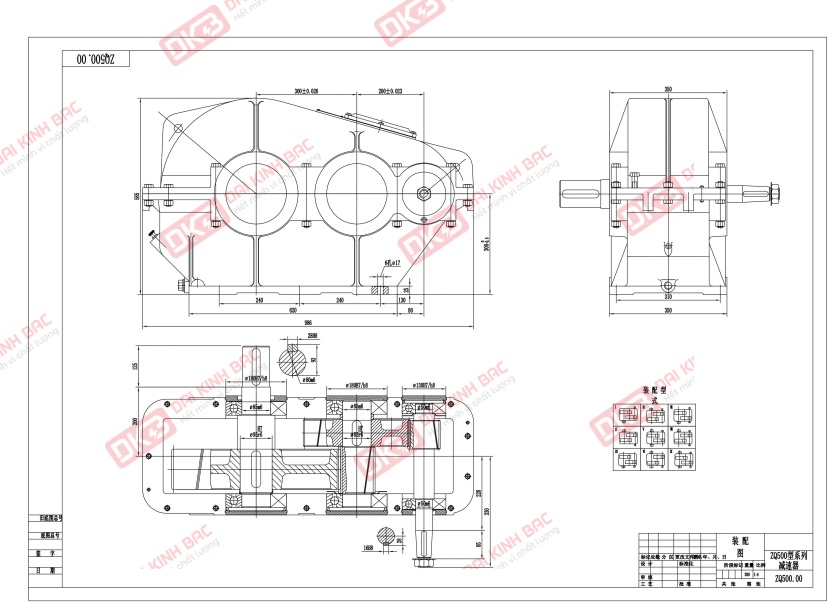
Hộp Giảm Tốc ZQ500

​- Model: ZQ 500

- Đường kính trục cốt vào: 50mm

- Đường kính trục cốt ra: 80mm

- Tỉ số truyền (RATIO): 8.23, 10.35, 12.64, 15.75, 20.49, 23.34, 31.5, 40.17, 48.57

- Kiểu lắp:Đa dạng với 9 kiểu lắp khác nhau

Nhận báo giá

Hộp số ZQ 500 là dòng hộp giảm tốc bánh răng trụ răng nghiêng 2 cấp, cực kỳ phổ biến trong các ngành công nghiệp nặng tại Việt Nam. Nó nổi tiếng với độ bền cao, khả năng chịu tải tốt.

 

1.Thông số kỹ thuật của Hộp số giảm tốc ZQ500

Hộp số giảm tốc ZQ 500

- Model: ZQ 500

- Đường kính trục cốt vào: 50mm

- Đường kính trục cốt ra: 80mm

- Tỉ số truyền (RATIO): 8.23, 10.35, 12.64, 15.75, 20.49, 23.34, 31.5, 40.17, 48.57

- Tính linh hoạt: Có tới 9 kiểu lắp đặt khác nhau (kiểu I, II, III... tùy thuộc vào hướng của trục vào và trục ra) giúp dễ dàng tích hợp vào hệ thống máy móc sẵn có.

- Cấu tạo chi tiết bên trong của Hộp số giảm tốc ZQ500:

- Bản vẽ kỹ thuật của Hộp số giảm tốc ZQ500:

Có tới 9 kiểu lắp đặt khác nhau (kiểu I, II, III... tùy thuộc vào hướng của trục vào và trục ra) giúp dễ dàng tích hợp vào hệ thống máy móc sẵn có.

2.Ứng dụng Hộp số giảm tốc ZQ500

Thiết bị nâng hạ: Cầu trục, cổng trục, tời kéo hàng.

Khai khoáng: Máy nghiền đá, băng tải truyền động trong mỏ than, quặng.

Ngoài ra hộp giảm tốc ZQ còn được sử dụng rộng rãi trong ứng dụng  Sản xuất: Máy cán thép, máy ép gạch, hệ thống trộn bê tông.

​3. Tại sao bạn nên chọn mua Hộp số giảm tốc ZQ500

Hộp số giảm tốc ZQ500  được sử dụng rất phổ biến hiện nay vì có những ưu điểm sau:

Ưu điểm nổi bật

Độ bền cơ học: Vỏ hộp thường được đúc bằng gang xám HT200

Hiệu suất: Do sử dụng bánh răng trụ răng nghiêng được gia nhiệt và mài bóng, hiệu suất truyền động thường đạt trên 94%.

Tính linh hoạt: Có tới 9 kiểu lắp đặt khác nhau (kiểu I, II, III... tùy thuộc vào hướng của trục vào và trục ra) giúp dễ dàng tích hợp vào hệ thống máy móc sẵn có.

Kiểu trục: Có nhiều biến thể như trục ra dạng thẳng (trục dương), trục ra dạng bánh răng (trục ra kiểu ra nhông), hoặc trục ra kiểu rỗng.

Đặc điểm: Chịu lực tốt, bền, hấp thụ rung động, phù hợp làm vỏ hộp truyền động công nghiệp.

Lưu ý khi sử dụng

Quan trọng: Khi mua mới hoặc thay thế, bạn cần kiểm tra kỹ "Kiểu lắp" (hướng trục) và "Tỉ số truyền thực tế". Một sai lệch nhỏ ở tỉ số truyền cũng có thể làm thay đổi tốc độ vận hành của cả dây chuyền.

Ngoài ra, đừng quên kiểm tra mức dầu bôi trơn định kỳ. Với dòng ZQ, việc thiếu dầu sẽ dẫn đến hiện tượng nóng hộp số và mòn bánh răng rất nhanh do tải trọng làm việc thường rất lớn.

4.Mua Hộp số ZQ500 ở đâu giá tốt nhất, chất lượng nhất Việt Nam?

- Trên thị trường trôi nổi rất nhiều hàng giả, hàng nhái, hàng kém chất lượng tinh vi khó có thể phân biệt. Khi bạn mua phải những sản phẩm kém chất lượng không mang lại hiệu quả, hiệu suất công việc cao như mong muốn, thường xuyên bị hư hỏng và hoạt động không ổn định, không bền gây tiền mất tật oan. Bạn bắt buộc phải đổi Hộp số  mới, vừa tốn chi phí, tốn thời gian, gián đoạn công việc

hi bạn mua sản phẩm tại Đại Kinh Bắc, bạn sẽ hài lòng hơn vì các ưu điểm như sau :

       ♦ Là 1 trong số ít nhà Nhập khẩu Hộp số giảm tốc lớn nhất tại thị trường Việt Nam.

       ♦ Hệ thống các kho hàng lớn trải dài 3 miền Bắc - Trung - Nam , giao hàng nhanh chóng, tiện lợi.

       ♦ Đội ngũ hỗ trợ chăm sóc khách hàng 24/7, am hiểu sản phẩm và kỹ thuật

       ♦ Cam kết hàng nhập khẩu chính hãng 100%, có đầy đủ COCQ, hóa đơn VAT.

       ♦ Phương thức thanh toán linh hoạt, thuận lợi nhấtcho Khách hàng.

       ♦ Cung cấp đầy đủ hình ảnh thực tế, bản vẽ 2D, 3D, CAD của sản phẩm.

       ♦ Chế độ bảo hành dài hạn, nhanh chóng kịp thời.

Thông tin chi tiết sản phẩmHộp số gảm tốc ZQ500 Quý khách vui lòng liên hệ Hotline hoặc Email của chúng tôi hay để lại tên và số điện thoại ở ô thông tin bên dưới. Chúng tôi sẽ liên lạc với bạn nhanh nhất để hỗ trợ giải đáp các thắc mắc về sản phẩm và dịch vụ của công ty Đại Kinh Bắc, các chương trình khuyến mãi mới nhất và chiết khấu hấp dẫn ngay hôm nay.

http://​​​​​​daikinhbac.com/

1. BÁO GIÁ SẢN PHẨM

CÔNG TY TNHH CÔNG NGHỆ BGM VIỆT NAM

- Khách hàng liên hệ với chúng tôi hoặc để lại thông tin về sản phẩm cần mua sẽ được nhân viên tư vấn và báo giá kèm theo đó là cung cấp đầy đủ thông tin về sản phẩm như: (Catalog, thông số, kích thước, hình ảnh, tình trạng hàng hóa).

2. XÁC NHẬN ĐƠN HÀNG

XÁC NHẬN ĐƠN HÀNG

- Sau khi khách hàng thống nhất các thông tin về sản phẩm, giá cả, hình thức giao hàng và thanh toán.

- Khách hàng xác nhận đặt hàng trực tiếp với nhân viên sau đó nhân viên sẽ hướng dẫn các thủ tục tiếp theo.

3. HÌNH THỨC THANH TOÁN

HÌNH THỨC THANH TOÁN

+ Thanh toán chuyển khoản:

- Chuyển khoản qua tài khoản công ty với các đơn hàng lấy hóa đơn giá trị gia tăng (VAT) và với đơn hàng lấy hóa đơn giá trị gia tăng (VAT) từ 20 triệu VNĐ trở lên.

- Chuyển khoản qua tài khoản cá nhân với các đơn hàng không lấy hóa đơn giá trị gia tăng (VAT) hoặc đơn hàng có lấy hóa đơn giá trị gia tăng nhưng dưới 20 triệu VNĐ.

+ Thanh toán tiền mặt: 

- Khách hàng khi mua sản phẩm sẽ thanh toán trực tiếp tại cửa hàng, văn phòng bên bán.

1. THỜI GIAN GIAO HÀNG VÀ PHẠM VI ÁP DỤNG:

- Chúng tôi luôn lựa chọn những đơn vị giao hàng uy tín và chất lượng để phục vụ khách hàng tốt nhất.

- Khách hàng phạm vi Hà Nội, Bình Dương hoặc phạm vi bán kính 30 km tính từ kho bên bán:  chúng tôi sẽ giao hàng trong vòng 24h  (giờ hành chính) kể từ thời điểm xác nhận đơn hàng  hoặc thời gian 2 bên thống nhất theo từng đơn hàng.

- Khách hàng ở các Tỉnh khác chúng tôi sẽ có 2 hình thức vận chuyển như sau:

+ Giao hàng qua dịch vụ chuyển phát thời gian từ 3 - 7 ngày tùy thuộc vào địa điểm nhận của khách hàng.

+ Gửi hàng qua Bến xe, nhà xe về các tỉnh sau đó khách hàng ra nhận hàng ở bến xe hoặc địa điểm thống nhất với nhà xe.

2. CHI PHÍ GIAO HÀNG:

- Chúng tôi giao hàng miễn phí phạm vi bán kinh 10km tính từ kho của công ty bên bán, đối với các địa điểm khác phí giao hàng hàng sẽ được thống nhất theo từng đơn hàng. 

- Một số khách hàng có thể được cộng phí vận chuyển vào hóa đơn giá trị gia tăng khi viết hóa đơn VAT.

3. TRÁCH NHIỆM VỚI HÀNG HÓA VẬN CHUYỂN

TRÁCH NHIỆM VỚI HÀNG HÓA VẬN CHUYỂN

- Hàng hóa khi giao hàng đến khách hàng đều sẽ được đóng gói cẩn thận.

- Khi giao hàng sẽ kèm theo đầy đủ giấy tờ, chứng từ kèm theo hàng hóa.

- Khách hàng khi nhận hàng có quyền kiểm tra hàng hóa và giấy tờ.

  I. ĐIỀU KIỆN ĐƯỢC BẢO HÀNH

1.Lỗi hư hỏng là do nhà sản xuất khách hàng sẽ được bảo hành miễn phí.

2. Phiếu bảo hành còn trong hiệu lực, các chứng từ bán hàng còn nguyên vẹn, không bị rách, tẩy xóa, sửa chữa, đúng Series trên sản phẩm.

3. Thiết bị làm việc ở môi trường khô, ít bụi, nhiệt độ từ 0oC đến 50oC.

4. Động cơ được sử dụng đúng kỹ thuật theo hướng dẫn sử dụng.

a. Dùng đúng công suất, điện áp định mức ghi trên nhãn, dây cấp nguồn cho động cơ đáp ứng đúng yêu cầu của công suất động cơ.

b. Có tủ điện gồm thiết bị: át tô mát, đồng hồ vôn, đồng hồ ampe, khởi động từ, rơ le nhiệt, rơ le bảo vệ mất pha, dây tiếp đất.

c. Có kiểm tra cách điện và sấy khô nếu lâu không sử dụng.

5. Hộp giảm tốc dùng đúng tải, công suất của nhà sản xuất đưa ra.

a. Đảm bảo đủ dầu, mỡ bôi trơn trước và trong quá trình sử dụng.

b. Thay nút dầu có lỗ thông hơi trong quá trình sử dụng.

c. Với hộp số trục vít thay dầu bôi trơn và làm sạch bên trong sau 100 giờ đầu tiên.

d. Với hộp số trục vít thay dầu bôi trơn và làm sạch bên trong sau mỗi 2.500 giờ tiếp theo.

II. ĐIỂU KIỆN KHÔNG ĐƯỢC BẢO HÀNH

1. Phiểu bảo hành không còn nguyên vẹn, bị rách, nát, bị tẩy xóa, không đúng mã series trên sản phẩm.

1. Thiết bị hư hỏng trong quá trình vận chuyển, động vật làm hỏng, do rơi, va chạm vào hóa chất độc hại hoặc ngập nuớc, thiên tai.

2. Động cơ, thiết bị bị hỏng do điện mất pha, chập điện, chạy quá tải, hoặc yếu điện.

3. Khách hàng lắp đặt sản phẩm không đúng kỹ thuật hoặc sai mục đích (VD: motor 3 pha đấu thành điện 1 pha), thay ký hiệu công suất hoặc thay tên hãng trên tem (mạc) motor.

4. Thiết bị đã bị khách hàng tháo ra thêm bớt linh kiện hoặc làm biến dạng, VD: tiện, mài mòn trục, nối dài trục, cắt chân đế, thay ốc vít…

5. Hộp giảm tốc lắp đặt không chắc chắn, lệch dẫn đến nứt, vỡ.

6. Bánh răng (nhông) của hộp giảm tốc bị chịu lực quá tải.

7. Dầu, mỡ hộp số không đủ trong quá trình hoạt động.

III. ĐIỀU KHOẢN KHÁC

1. Tất cả các sản phẩm được bảo hành tại Văn phòng gần nhất của bên Bán.

Bào hành sản phẩm

CÔNG TY TNHH THƯƠNG MẠI XUẤT NHẬP KHẨU VÀ KỸ THUẬT ĐẠI KINH BẮC

Miền Bắc:

•  Kho hàng: Thửa đất số 559, Khu Công Nghiệp Tân Quang, xã Tân Quang, H. Văn Lâm, T. Hưng Yên.

•  Văn Phòng: Biệt Thự BH10A-SP.10-56 Vinhome Ocean Park 1, TT Trâu Quỳ, H. Gia Lâm, Tp. Hà Nội

Miền Nam:

•  Trụ sở chính: Thửa Đất Số 1760, Tờ Bản Đồ 07, Mạch Thị Liễu, Kp. Đông Chiêu, P. Tân Đông Hiệp, TP. Dĩ An, T. Bình Dương

•  Kho hàng: Số 80, đường Mạch Thị Liễu, Kp. Đông Chiêu, P. Tân Đông Hiệp, Tp. Dĩ An, T. Bình Dương

Lời đầu tiên, Chúng tôi xin cảm ơn Khách hàng đang đọc bài viết này của chúng tôi để hiểu thêm về Công ty TNHH TM XNK và KT Đại Kinh Bắc. Chúng tôi tin rằng khi các bạn đọc bài viết này là các bạn đã, đang và sẽ hợp tác với công ty Đại Kinh Bắc.

Công ty Đại Kinh Bắc được Thành lập từ năm 2005 với tên Công ty TNHH Thương Mại và Xuất Nhập Khẩu Đại Kinh Bắc và sau đó đến năm 2016 chuyển thành Công ty TNHH Thương Mại Xuất Nhập Khẩu và Kỹ Thuật Đại Kinh Bắc.

Nhắc đến Đại Kinh Bắc chúng tôi tự hào là một công ty hàng đầu Việt Nam về cung cấp các thiết bị Máy móc, thiết bị điện công nghiệp như: Motor giảm tốc, Motor giảm tốc mini, động cơ điện 3 pha, mô tơ điện DC, đầu giảm tốc, hộp giảm tốc trục vít bánh vít, hộp giảm tốc NMRV, bơm nước, máy thổi khí, biến tần…. có xuất sứ Nhật Bản, Italia, Hàn quốc, Cộng hòa Czech, Đài Loan, Đức.... của các thương hiệu như: SPG, GGM, DKM , Oriental, Mitsubishi, Toshiba, Bonfiglioli, Dolin, Wansin, Tunglee, Teco, Chenta có chất lượng cao, với giá cả cạnh tranh. Với đội ngũ nhân viên công ty nắm vững các công nghệ hiện đại, có kinh nghiệm và nhiệt tình phục vụ khách hang, chúng tôi không chỉ cung cấp kịp thời cho khách hang các sản phẩm chất lượng cao với giá cả hợp lý mà còn cung cấp cho khách hang những dịch vụ hậu mãi tin cậy.

ĐẠI KINH BẮC MOTOR

CÔNG TY ĐẠI KINH BẮC

KHO HÀNG MIỀN BẮC
 
KHO HÀNG MIỀN NAM
 

♦  Phương châm hoạt động 

-          Hợp tác - Phát triển - Thành Công

-         Chất lượng- Uy tín- Chu đáo

♦  Sứ mệnh:

-          Hết mình vì chất lượng !

-          Phục vụ khách hàng nhanh nhất và tốt nhất.

-          Không ngừng duy trì, phát triển và mở rộng thị trường.

TẠI SAO CHÚNG TÔI LÀ LỰA CHỌN TỐT NHẤT ĐỂ TRỞ THÀNH NHÀ CUNG CẤP CỦA KHÁCH HÀNG TẠI VIỆT NAM

♦  Nguồn cung ổn định

Hợp tác chặt chẽ với chúng tôi, Quý khách hàng được đảm bảo cung ứng ổn định về cả số lượng lẫn chất lượng ngay cả trong giai đoạn khó khăn nhất.

♦  Phản hồi nhanh chóng

Mọi thắc mắc của Quý khách hàng sẽ được phản hồi nhanh nhất, trong một khoảng thời gian quy định, thay vì kiểu phản hồi “khi nào có kết quả sẽ báo”.

♦  Tác phong chuyên nghiệp

Chúng tôi chỉ cung cấp cho Quý khách hàng những sản phẩm đáp ứng đầy đủ yêu cầu của khách hàng, chứ không phải cố gắng bán tất cả những gì mình có. Trong trường hợp có vấn đề phát sinh Quý khách hàng sẽ liên tục nhận được phản hồi cho đến khi cảm thấy thực sự thỏa mãn.

♦  Chia sẻ thông tin

Với phương châm “ đôi bên cùng có lợi” chúng tôi xem khách hàng là những người bạn đồng hành thực sự. Chúng tôi chia sẻ những thông tin quan trọng liên quan đến hoạt động kinh doanh của Quý khách hàng nhằm giúp Quý khách hàng chuẩn bị trước những biến động của thị trường.

 

Đánh giá, bình luận

Dự án

Tin tức nổi bật

Thông tin công ty

Thông tin công ty
Công ty TNHH TM Xuất Nhập Khẩu Và Kỹ Thuật Đại Kinh Bắc là nhà nhập khẩu và phân phối dòng sản phẩm như: Động cơ giảm tốc, động cơ điện 3 pha, mô tơ điện DC, đầu giảm tốc, hộp số giảm...
Thông tin công ty

Kênh youtube chia sẻ thông tin

Thông tin công ty

Fanpage Facebook

Thông tin công ty